邯郸一零一电子有限责任公司 
                  地 址:河北邯郸峰峰矿区新坡工业园  
  电 话:0310-5013438   5014065 
  传 真: 0310-5129011(业务专用) 
  邮 箱:101@hd101dz.com 
  网 址:http://www.hd101dz.com | 
             
            | 
       
      | 
    
      
        
          
            |    产品中心 | 
            HTTP://WWW.HD101DZ.COM | 
           
         
          
            
              
  
     产品详细说明 | 
   
  
      
 
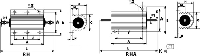
| ■技术说明 Technical Specifications |  
型号 (TYPE) | 
额定 功率 | 
外 形 尺 寸DIMENSIONS(mm) | 
重量(g)  |  
| 电阻体  | 
带散热片 |  
| Amax | 
B | 
Lmax | 
Hmax | 
C | 
l | 
l1 | 
M | 
N | 
Φ1 | 
Φ2 | 
面积 cm2  | 
厚度 mm |  
| RHA | 
5 | 
15.5 | 
16 | 
36.5 | 
8 | 
8.5 | 
11.4 | 
12 | 
4.4 | 
1.5 | 
1.5 | 
2.2 | 
415 | 
1 | 
3 |  
| 10 | 
19.5 | 
21 | 
40.5 | 
10 | 
11.2 | 
14 | 
16 | 
5 | 
2 | 
2 | 
2.5 | 
415 | 
6 |  
| 20 | 
27 | 
27 | 
48 | 
13 | 
14.3 | 
18.3 | 
20 | 
7 | 
2 | 
2 | 
3.5 | 
535 | 
11 |  
| 30 | 
34 | 
29 | 
55 | 
15.5 | 
16.3 | 
25 | 
22 | 
7 | 
2 | 
2 | 
3.5 | 
535 | 
18 |  
| 50 | 
50 | 
29 | 
71 | 
15.5 | 
16.3 | 
40 | 
22 | 
7.3 | 
2 | 
2 | 
3.5 | 
995 | 
30 |  
| 75 | 
65.5 | 
48 | 
86.5 | 
26 | 
27 | 
23.5 | 
37 | 
11.5 | 
3.5 | 
3 | 
4.4 | 
995 | 
3 | 
90 |  
| 100 | 
98 | 
48 | 
119 | 
26 | 
27 | 
35 | 
37 | 
11.5 | 
3.5 | 
3 | 
4.4 | 
995 | 
160 |  
| 150 | 
130 | 
48 | 
151 | 
26 | 
27 | 
52 | 
37 | 
11.5 | 
3.5 | 
3 | 
4.4 | 
995 | 
240 |  
| RH | 
75 | 
65.5 | 
48 | 
93.5 | 
26 | 
27 | 
23.5 | 
37 | 
11.5 | 
3.5 | 
M3 | 
4.4 | 
995 | 
90 |  
| 100 | 
98 | 
48 | 
126 | 
26 | 
27 | 
35 | 
37 | 
11.5 | 
3.5 | 
M3 | 
4.4 | 
995 | 
160 |  
| 150 | 
130 | 
48 | 
158 | 
26 | 
27 | 
52 | 
37 | 
11.5 | 
3.5 | 
M3 | 
4.4 | 
995 | 
240 |  
| 200 | 
92 | 
73 | 
132 | 
45 | 
46.5 | 
35 | 
58 | 
21 | 
5 | 
M6 | 
5.5 | 
3750 | 
420 |  
| 250 | 
112 | 
73 | 
152 | 
45 | 
46.5 | 
45 | 
58 | 
21 | 
5 | 
M6 | 
5.5 | 
4765 | 
480 |  
| 300 | 
130 | 
73 | 
170 | 
45 | 
46.5 | 
51 | 
58 | 
21 | 
5 | 
M6 | 
5.5 | 
5780 | 
580 |  
| 500 | 
204 | 
73 | 
244 | 
45 | 
46.5 | 
87 | 
58 | 
21 | 
5 | 
M6 | 
5.5 | 
8500 | 
970 |  
| ■特性 Characteristics |  
| 试验项目 TEST ITEM | 
性能要求 SPECIFICATIONS | 
试验方法TEST METHOD |  
| 电阻温度系数 temperature corfficient of resistance | 
±50ppm/℃ ±100ppm/℃ ±250ppm/℃ | 
JIS5202-5.2 |  
| -55℃ 到 +155℃ |  
| T.C.R=(R2-R1)×10^6/R1×(T2-T1)(PPM/℃) |  
| R1:常温(T1)阻抗值; |  
| R2:常温+100℃(T2)阻抗值 |  
| 过载 Over—load | 
ΔR≤±(1% R0+0.05Ω) | 
JIS5202-5.5 |  
| 2.5倍额定电压 5 秒 |  
| 耐焊接热 Resistance to sold,heat | 
ΔR≤±(1%R0+0.05Ω) | 
JIS5202-6.4 |  
| 锡炉温度:350℃±10℃ |  
| 浸入时间3±0.5 秒 |  
| 引出端强度 Terminal strength | 
40N | 
JIS5202-6.1 |  
| 水平方向 10秒 |  
| 冲击 Shock | 
50g 11ms, 18 次  | 
JIS5202-6.7 |  
| 振动 Vibration | 
10~500Hz,10g 6h | 
JIS5202-6.3 |  
| 耐湿负荷寿命 Moisture load resistance life | 
ΔR≤±(5% R0+0.1Ω)  | 
JIS5202-7.9 |  
| 40±2°C, 90~95% RH |  
| 于恒湿箱中加额定直流电压测试1.5小时,停止0.5小时连续测试1000小时 |  
| 耐温负荷寿命 Temperature load life | 
ΔR≤±(5% R0+0.1Ω)  | 
JIS5202-7.10 |  
| 70℃ 于恒湿箱中加额定直流电压测试1.5小时,停止0.5小时连续测试1000小时 |    | 
   
 
  
     邯郸一零一电子有限责任公司 联系方式 | 
   
  
     | 
   
  
 | 
               
            | 
       
     
     |